Resumo do produto
| | ||
| | ENTRADA CC/CA | |
| | Design refinado | |
| | MPPT | |
| Paramétrico | ||
| Modelo | RVE35-S2-3G ~ RVE35-S2-4G |
| Tensão | Entrada de 150 VCC a 450 VCC ou 1 entrada PH 220 VCA | |
| Classificação P (kW) | 3/4 | |
| Corrente nominal (A) | 13/16 | |
| MPPT Vmp/Voc | 310/372 | |
| Dimensões (mm) | 265*105*164 | |
Fundos de aplicativos
| Nos últimos anos, com a crescente gravidade do "problema alimentar" e do "problema energético" globais, as bombas de água solares têm sido gradualmente aclamadas como produtos eficazes de integração industrial para resolver o problema do aumento da produção de terras cultivadas efectivas e da substituição da energia fóssil por energia limpa. Como resultado, nasceu um modelo económico emergente no qual a indústria solar se desenvolveu em combinação com indústrias tradicionais, como a conservação da água agrícola, o controlo do deserto, o uso doméstico da água e a paisagem aquática urbana. |
Recursos do produto
• Rastreamento de ponto de potência máximo (MPPT) com velocidade de resposta rápida e operação estável
• Proteção contra funcionamento a seco (sob carga)
• Proteção de corrente máxima do motor
• Proteção de energia de entrada
• Proteção de baixa frequência de parada
• A curva de desempenho PQ (potência/fluxo) permite calcular a saída de fluxo da bomba
• Controle digital para operação totalmente automática, armazenamento de dados e funções de proteção
• Módulo de potência inteligente (IPM) para o circuito principal
• Painel operacional com display LED e suporte para controle remoto
• Entrada de fonte de alimentação CA e CC de modo duplo disponível
• Sensor de sonda de nível de água baixo e função de controle de nível de água
• Temperatura ambiente de uso: -10 a 50˚C.
| Design refinado Área de instalação reduzida em 50% Volume reduzido em 30% | |
| | A máquina de revestimento de tinta totalmente automática de três provas é usada para engrossar a camada protetora da placa de circuito, evitando efetivamente os danos da placa de circuito causados por poeira do vento, gás corrosivo e ar úmido. |
| | Adote equipamento de detecção totalmente automático para testar vários indicadores elétricos e funções de proteção de produtos sob carga nominal. |
| | Todos os produtos acabados são envelhecidos sob carga por 48 horas a uma temperatura elevada de 60 graus, e então todos os indicadores elétricos são testados sob carga, de modo a reduzir a taxa de falhas do produto. |
Nomenclatura do Modelo
Série geral tipo S2:
Entrada Vmp 310VDC ou 220VAC, saída 1/3 fase 0-220VAC
| Modeloo | Corrente nominal (A) | Tensão de saída ( VAC ) | Aplicável para bomba de potência (kW) | Externo ao tamanho da unidade A*L*D (mm) | MPPT Vmp/Voc |
| RVE35-S2-0R7G | 4 | 0-220 | 0.75 | 187*86*152 | 310/372 |
| RVE35-S2-1R5G | 7 | 0-220 | 1.5 | ||
| RVE35-S2-2R2G | 10 | 0-220 | 2.2 | ||
| RVE35-S2-3G | 13 | 0-220 | 3 | 265*105*164 | |
| RVE35-S2-4G | 16 | 0-220 | 4 |
Série geral tipo T3:
Entrada Vmp540 a 650 VCC ou 380 a 460 VCA, saída trifásica 0-380/460 VCA
| Modeloo | Corrente nominal (A) | Tensão de saída ( VAC ) | Aplicável para bomba de potência (kW) | Externo ao tamanho da unidade A*L*D (mm) | MPPT Vmp/Voc |
| RVE35-T3-0R7GB | 2,5/3,7 | 0-380/440 | 0.75 | 187*86*152 | 540/660 |
| RVE35-T3-1R5GB | 3,7/5 | 0-380/440 | 1.5 | ||
| RVE35-T3-2R2GB | 5/10 | 0-380/440 | 2.2 | ||
| RVE35-T3-4GB | 13/10 | 0-380/440 | 4.0 | ||
| RVE35-T3-5R5GB | 13/16 | 0-380/440 | 5.5 | 265*105*164 | |
| RVE35-T3-7R5GB (caixa de plástico) | 16/25 | 0-380/440 | 7.5 | ||
| RVE35-T3-7R5GB (caixa de ferro) | 16/25 | 0-380/440 | 7.5 | 333*150*216 | |
| RVE35-T3-11GB | 25/32 | 0-380/440 | 11 | ||
| RVE35-T3-15GB | 32/38 | 0-380/440 | 15 | ||
| RVE35-T3-18GB | 38/45 | 0-380/440 | 18 | 383*180*228 | |
| RVE35-T3-22GB | 45/60 | 0-380/440 | 22 | ||
| RVE35-T3-30GB | 60/75 | 0-380/440 | 30 | 435*175*265 | |
| RVE35-T3-37GB | 75/90 | 0-380/440 | 37 | ||
| RVE35-T3-45G | 90/110 | 0-380/440 | 45 | 670*265*358 | |
| RVE35-T3-55G | 110/150 | 0-380/440 | 55 | ||
| RVE35-T3-75G | 150/170 | 0-380/440 | 75 | ||
| RVE35-T3-90G | 170/210 | 0-380/440 | 90 | 845*305*358 | |
| RVE35-T3-110G | 210A/250 | 0-380/440 | 110 | ||
| RVE35-T3-132G | 250A/300 | 0-380/440 | 132 | ||
| RVE35-T3-160G | 300A/340 | 0-380/440 | 160 | 788*500*360 | |
| RVE35-T3-185G | 340/380 | 0-380/440 | 185 | ||
| RVE35-T3-200G | 380/415 | 0-380/440 | 200 | 900*540*358 | |
| RVE35-T3-220G | 415/470 | 0-380/440 | 220 | ||
| RVE35-T3-250G | 470/520 | 0-380/440 | 250 | ||
| RVE35-T3-280G | 520/600 | 0-380/440 | 280 | 1035*620*400 | |
| RVE35-T3-315G | 600/680 | 0-380/440 | 315 | ||
| RVE35-T3-355G | 680/750 | 0-380/440 | 355 | 1290*780*410 | |
| RVE35-T3-400G | 750/810 | 0-380/440 | 400 |
Excelente desempenho
| | Controle vetorial de alto desempenho para melhorar a precisão do equipamento |
| A frequência máxima de saída sob controle vetorial atinge 1.500 Hz, o que pode alcançar saída de velocidade de alta precisão dentro da faixa de regulação de velocidade magnética fraca de 10 vezes. | |
| | |
| | Acionamento perfeito para motores síncronos |
| Forma de onda atual do motor síncrono no modo de controle vetorial de malha aberta a 500 Hz com 100% de carga nominal. | |
| | |
| | Design confiável de dissipação de calor |
| A tecnologia de design de duto de ar duplo independente pode realizar o uso do acionamento da bomba solar com temperatura de anel de 50 ℃ sem redução de capacidade. |
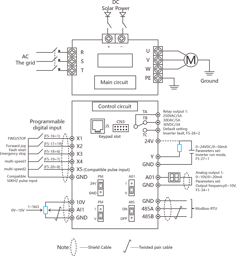
Diagrama de fiação
Para produtos RVE35 0,75kw-7,5kw, observe o seguinte:
1. O produto não contém terminais de entrada lógica X6 e X7;
2. O produto inclui apenas 1 entrada analógica, 1 saída analógica e 1 saída de relé











































